电脑桌面
添加暗狗写作- 公文写作网-ai公文写作平台到电脑桌面
安装后可以在桌面快捷访问

危化品安全技术说明书大全(MSDS)(184页)VIP免费

危化品安全技术说明书大全(MSDS)(184页)_第1页
1/136
危化品安全技术说明书大全(MSDS)(184页)_第2页
2/136
危化品安全技术说明书大全(MSDS)(184页)_第3页
3/136
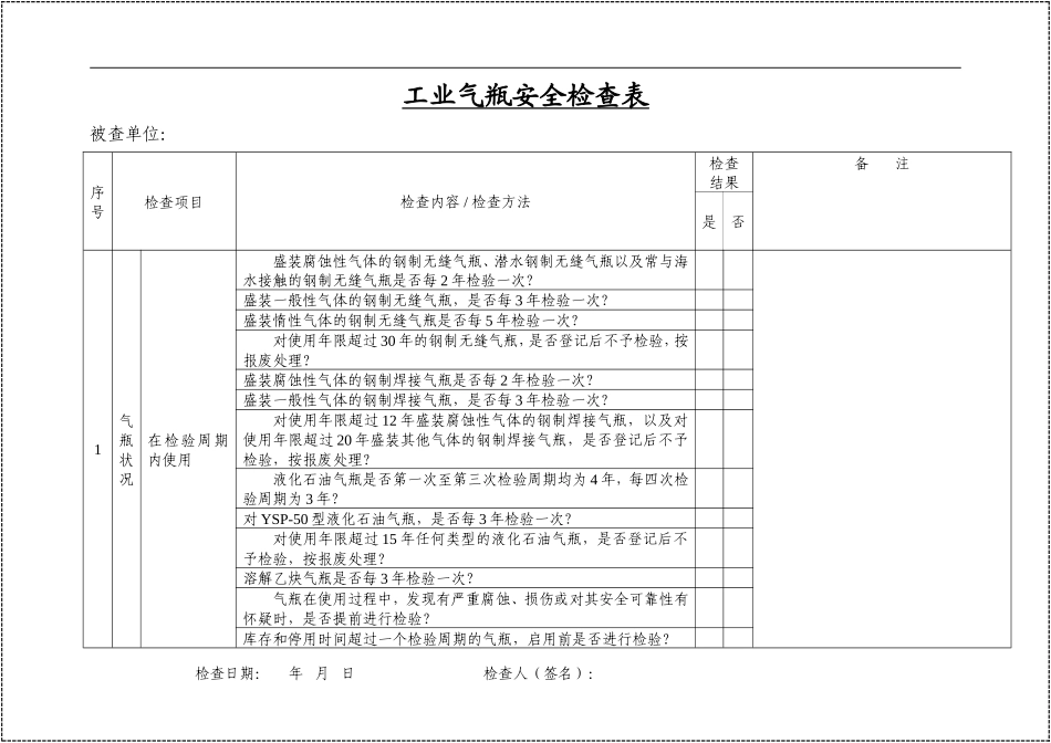
检查日期: 年 月 日 检查人(签名):设备设施安全检查表大全微信公众号:安全生产管理网编制人XXXx审核人xxx批准人xxx工业气瓶安全检查表被查单位: 序号检查项目检查内容 / 检查方法 检查结果备 注是...

1、当您付费下载文档后,您只拥有了使用权限,并不意味着购买了版权,文档只能用于自身使用,不得用于其他商业用途(如 [转卖]进行直接盈利或[编辑后售卖]进行间接盈利)。
2、本站所有内容均由合作方或网友上传,本站不对文档的完整性、权威性及其观点立场正确性做任何保证或承诺!文档内容仅供研究参考,付费前请自行鉴别。
3、如文档内容存在违规,或者侵犯商业秘密、侵犯著作权等,请点击“违规举报”。

碎片内容

危化品安全技术说明书大全(MSDS)(184页)

确认删除?
微信客服
  • 微信客服
下载APP
客服电话
回到顶部